觸摸調光電路板是一款觸摸開關,觸摸調試LED燈光大小的觸摸調光電路板方案。此款電路的感應方式是輕觸開關即可,有冷暖兩路LED燈,輕觸第一下為1燈冷光亮,輕觸第二下為2燈暖光亮,觸摸第三下為全滅。已經有成熟的開發方案,多應用于LED臺燈,LED化妝鏡,等其他可以LED產品上面。
單鍵兩路觸摸調光電路板功能說明:
1、輸入電源電壓DC=5V,3.7V鋰電池供電,充電電流300ma/H。
2、上電不工作,有兩路LED燈,一路冷白LED1,一路暖白LED2,初始打開亮度50%。有一觸摸開關K1控制,短按循環轉換LED工作模式,
短按第1下LED1燈亮,
短按第2下LED2亮,LED1滅。
短按第3下全滅,依次循環。即冷白--暖白--滅待機。轉換時LED亮度不變。長按按鍵無極調光,長按第1次加亮度,長按第2次減亮度,循環。最低亮度2%,最高100%。
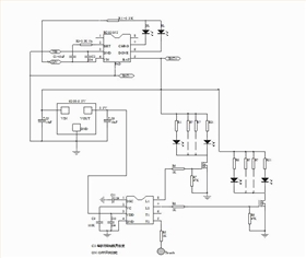
3、參考電路圖:
深圳市麗晶微電子科技有限公司提供標準品并提供開發設計:
觸摸LED化妝鏡PCBA定制 小家電類IC芯片定制 觸摸開關臺燈PCBA定制
電源穩壓IC,DC/DC升壓IC 電子玩具類\電子禮品類IC ASICIC \MASKIC芯片定制
提供標準品IC芯片及滿足客戶功能需求的單片機方案開發定制
同時和合作企業提供COB板邦定和PCBA貼片加工,根據客戶的需求提供COB線路板和部分的電子機芯及半成品定制。

電位器調光板,旋鈕調光控制板
雙色溫臺燈線路板
循環定時蠟燭芯片,8小時開16小時關
電話咨詢
產品中心
聯系麗晶微
網站地圖