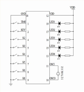
EC360A-01是一款24小時循環定時專用電子蠟燭IC芯片,工作電壓2.4V-5.5V,采用32.768K晶振
振蕩,上電一直工作, L1,L2,L3,L4,是電子蠟燭燈輸出。L6 是電平輸出,常亮指示燈。K2 是
ON/OFF模式選擇腳,懸空是正常的上電定時工作模式,接VSS是ON/OFF功能,長按KEY(ON/OFF)鍵
可以進入定時工作。K8-K0為定時時間選擇,接VSS時選擇時間如下,K2懸空的情況下是定時模式:

當K8接VSS時, 為8小時ON.....16小時OFF.....;如此循環。
當K6接VSS時, 為6小時ON.....18小時OFF.....;
當K5接VSS時, 為5小時ON.....19小時OFF.....;
當K4接VSS時, 為4小時ON.....20小時OFF.....;
當K0接VSS時, 為24小時ON.....0小時OFF.....;
定時IC芯片的 KEY腳是 ON/OFF功能,上電不工作,觸發工作,工作過程中觸發KEY鍵,定時IC會
停止工作,除非再次觸發KEY才會重新工作,此時長按KEY 3秒進入定時狀態。當TIME接VSS時,進入
快速測試模式,工作方式是1小時閃一次,閃 N次后停止,會再閃 N次,如此循環。

電位器調光板,旋鈕調光控制板
雙色溫臺燈線路板
循環定時蠟燭芯片,8小時開16小時關
電話咨詢
產品中心
聯系麗晶微
網站地圖