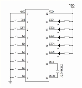
EC360A-01是一款8小時亮-16小時滅循環定時IC芯片,24小時專用循環定時芯片。工作電壓
2.4V-5.5V,采用32.768K晶振振蕩,上電一直工作, L1,L2,L3,L4,是電子蠟燭燈輸出。L6
是電平輸出,常亮指示燈。K2 是 ON/OFF 模式選擇腳,懸空是正常的上電定時工作模式,接
VSS是ON/OFF功能,長按KEY(ON/OFF)鍵可以進入定時工作。K8-K0為定時時間選擇,接 VSS時
選擇時間如下,K2懸空的情況下是定時模式: 
當K8接VSS時, 為8小時ON.....16小時OFF.....;如此循環。
當K6接VSS時, 為6小時ON.....18小時OFF.....;
當K5接VSS時, 為5小時ON.....19小時OFF.....;
當K4接VSS時, 為4小時ON.....20小時OFF.....;
當K0接VSS時, 為24小時ON.....0小時OFF.....;

定時IC的 KEY腳是 ON/OFF功能,上電不工作,觸發工作,工作過程中觸發KEY鍵,定時器芯
片會停止工作,除非再次觸發KEY才會重新工作,此時長按KEY 3秒進入定時狀態。當TIME接VSS
時,進入快速測試模式,工作方式是1小時閃一次,閃 N次后停止,會再閃 N次,如此循環。

電位器調光板,旋鈕調光控制板
雙色溫臺燈線路板
循環定時蠟燭芯片,8小時開16小時關
電話咨詢
產品中心
聯系麗晶微
網站地圖